VCI-AR0234-SL Highlights
VizionViewer™
Interchangeable Lenses
ISP
Global Shutter
Rugged and Reliable
Cost Saving
Time to Market
Low Power
Specifications
| Camera Information | ||||||||||||||||||||||
|---|---|---|---|---|---|---|---|---|---|---|---|---|---|---|---|---|---|---|---|---|---|---|
|
||||||||||||||||||||||
| Interface | ||||||||||||||||||||||
|
||||||||||||||||||||||
| Power Specifications | ||||||||||||||||||||||
|
||||||||||||||||||||||
| Software Support | ||||||||||||||||||||||
|
||||||||||||||||||||||
| Environmental and Mechanical | ||||||||||||||||||||||
|
||||||||||||||||||||||
| Certification and Compliance | ||||||||||||||||||||||
|
||||||||||||||||||||||
| Commercial Information | ||||||||||||||||||||||
|
||||||||||||||||||||||
Block Diagram
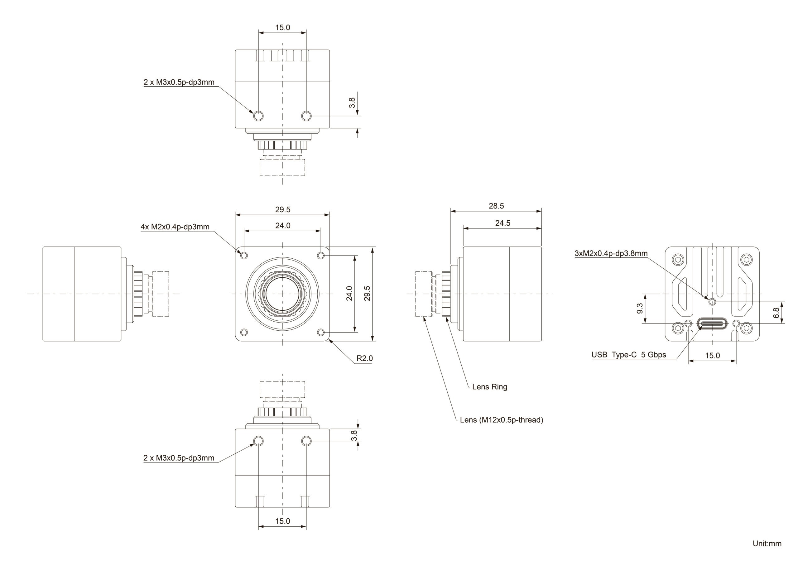
Dimensions
Spectral Characteristics
Part Numbers
Order Information Example:
VCI-AR0234-x-Sxx-xx
| Option | Code | Description |
|---|---|---|
| Chromaticity | C | Color |
| Lens | S32 | S-Mount Module D-FOV 32° |
| S83 | S-Mount Module D-FOV 83° | |
| S128 | S-Mount Module D-FOV 128° | |
| S191 | S-Mount Module D-FOV 191° | |
| Filter | - | - |
| IR | IR Cut Filter 650nm |
For further customization or questions about orders, contact your TechNexion sales representative.

VCI-AR0234-C-S32-IR
USB3 Type-C Aluminium Enclosed Camera with onsemi AR0234 2MP Full-HD Color Global Shutter with Onboard ISP + 32 Degree M12 Lens with IR-Cut Filter + Incl. 1 Meter USB C Cable

VCI-AR0234-C-S83-IR
USB3 Type-C Aluminium Enclosed Camera with onsemi AR0234 2MP Full-HD Color Global Shutter with Onboard ISP + 83 Degree M12 Lens with IR-Cut Filter + Incl. 1 Meter USB C Cable

VCI-AR0234-C-S128-IR
USB3 Type-C Aluminium Enclosed Camera with onsemi AR0234 2MP Full-HD Color Global Shutter with Onboard ISP + 128 Degree M12 Lens with IR-Cut Filter + Incl. 1 Meter USB C Cable
Movie Vault
VizionViewer™
VizionViewer™ is a companion tool and VizonSDK for adjusting embedded camera images. Specifically designed for, and provided for free with TechNexion cameras, VizionViewer™ allows control via both UVC and ISP via simple sliders. With built-in profile functionality, pre-configured settings can be easily moved to any embedded machine within minutes.
Mount Bracket
An easy to attach A-Mount bracket for TechNexion 30mm enclosed cameras.
Documentation
Getting Started
Mechanical
Certification
Get a Quote
Fill out the details below and one of our representatives will contact you shortly.
