TEVS-AR0144 Highlights
Evaluation Kits
Available to connect the camera module quickly to our System-on-Modules.
Global Shutter
Captures high-speed dynamic images clearly within an ultra-short exposure time.
ISP
Color correction, Lens calibration, over-exposure management, and multiple functions are already taken care of with a built-in ISP.
Lens Adjustment
We provide lens calibration and correction adjustment.
MIPI Interface
Compatible with MIPI connector and easy to change among our camera modules to fit the project requirement.
Rugged and Reliable
Operates reliably in harsh industrial environments and conditions, such as strong vibrations, extreme temperatures and wet or dusty conditions.
Software Platform
Supports various platforms, programming languages and easy to build on TN-Vizion SDK series.
Time to Market
With our pre-calibrated lens and integrated software, the camera can work directly and accelerate your time-to-market.
Specifications
| Camera Information | ||||||||||||||||||||||
|---|---|---|---|---|---|---|---|---|---|---|---|---|---|---|---|---|---|---|---|---|---|---|
|
||||||||||||||||||||||
| Interface | ||||||||||||||||||||||
|
||||||||||||||||||||||
| Power Specifications | ||||||||||||||||||||||
|
||||||||||||||||||||||
| Software Support | ||||||||||||||||||||||
|
||||||||||||||||||||||
| Environmental and Mechanical | ||||||||||||||||||||||
|
||||||||||||||||||||||
| Commercial Information | ||||||||||||||||||||||
|
||||||||||||||||||||||
Platform Support
Block Diagram
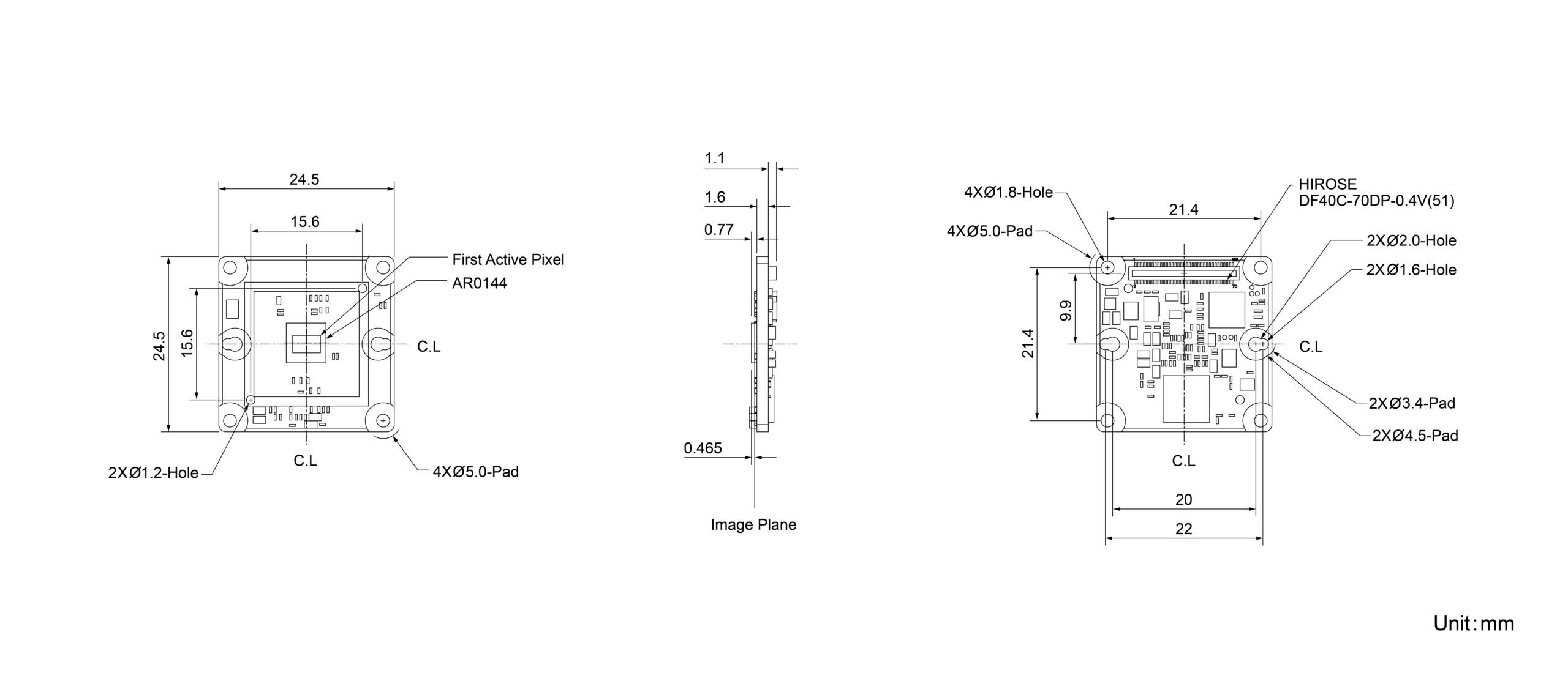
Dimensions
Spectral Characteristics
Part Numbers
Order Information Example:
TEVS-AR0144-C-Sxx-xx-xxx
| Code | Description | |
|---|---|---|
| Chromaticity | C | Color |
| Lens | - | - |
| S33 | S-Mount Module D-FOV 33° | |
| S83 | S-Mount Module D-FOV 83° | |
| Filter | - | - |
| IR | IR Cut Filter 650nm | |
| Evaluation Kit | - | 70 pin Standardized Camera Connector |
| EVK | 70 pin Standardized Camera Connector with FPC cable | |
| RPI15 | 15 pin Standardized ZIF Connector with FFC cable | |
| RPI22 | 22 pin Standardized ZIF Connector with FFC cable | |
| NXP | Mini-SAS connection cable for NXP Evaluation Board |
Standard Parts

TEVS-AR0144-C
MIPI-CSI2 Sensor onsemi AR0144 1MP Color Global Shutter with ISP

TEVS-AR0144-C-S33-IR
MIPI-CSI2 Sensor onsemi AR0144 1MP Color Global Shutter with ISP + 33 Degree M12 Lens with IR-Cut Filter

TEVS-AR0144-C-S83-IR
MIPI-CSI2 Sensor onsemi AR0144 1MP Color Global Shutter with ISP + 83 Degree M12 Lens with IR-Cut Filter

TEVS-AR0144-C-S33-IR-EVK
MIPI-CSI2 Sensor onsemi AR0144 1MP Color Global Shutter with ISP + 33 Degree M12 Lens with IR-Cut Filter + FPC Cable for Technexion SOM EVK

TEVS-AR0144-C-S83-IR-EVK
MIPI-CSI2 Sensor onsemi AR0144 1MP Color Global Shutter with ISP + 83 Degree M12 Lens with IR-Cut Filter + FPC Cable for Technexion SOM EVK

TEVS-AR0144-C-S33-IR-RPI15
MIPI-CSI2 Sensor onsemi AR0144 1MP Color Global Shutter with ISP + 33 Degree M12 Lens with IR-Cut Filter + RPI 15 Pin Converter and Flex PCB

TEVS-AR0144-C-S83-IR-RPI15
MIPI-CSI2 Sensor onsemi AR0144 1MP Color Global Shutter with ISP + 83 Degree M12 Lens with IR-Cut Filter + RPI 15 Pin Converter and Flex PCB

TEVS-AR0144-C-S33-IR-RPI22
MIPI-CSI2 Sensor onsemi AR0144 1MP Color Global Shutter with ISP + 33 Degree M12 Lens with IR-Cut Filter + RPI 22 Pin Converter and Flex PCB

TEVS-AR0144-C-S83-IR-RPI22
MIPI-CSI2 Sensor onsemi AR0144 1MP Color Global Shutter with ISP + 83 Degree M12 Lens with IR-Cut Filter + RPI 22 Pin Converter and Flex PCB

TEVS-AR0144-C-S33-IR-NXP
MIPI-CSI2 Sensor onsemi AR0144 1MP Color Global Shutter with ISP + 33 Degree M12 Lens with IR-Cut Filter + MINI-SAS Cable for NXP i.MX8 EVK

TEVS-AR0144-C-S83-IR-NXP
MIPI-CSI2 Sensor onsemi AR0144 1MP Color Global Shutter with ISP + 83 Degree M12 Lens with IR-Cut Filter + MINI-SAS Cable for NXP i.MX8 EVK
Movie Vault
Getting Started
Multi Platform Support
Documentation
Getting Started
Mechanical
Platform Support
Platform Support
Software
Get a Quote
Fill out the details below and one of our representatives will contact you shortly.
